Header image  

""

 

 

 
 
 
 

" "

58055 ( FFE0H ... FFE3H) , ( "" ). 13 ( ), 11 / LAT.

, .

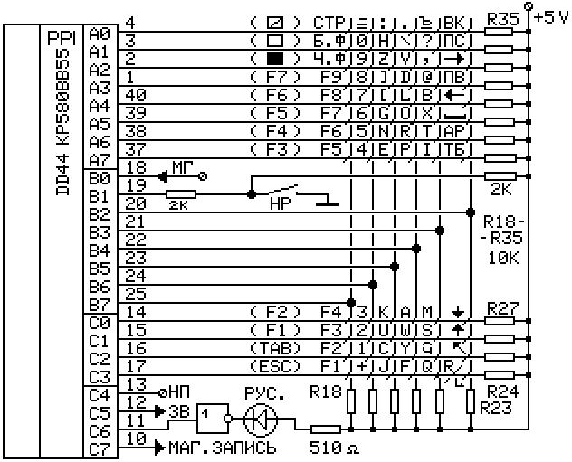
PA7
5-
PA6
6-
-//-
PA5
7-
-//-
PA4
8-
-//-
PA3
9-
-//-
PA2
10-
-//-
PA1
11-
-//-
PA0
12-
-//-
PB7
1-
-//-
PB6
2-
-//-
PB5
3-
-//-
PB4
4-
-//-
PB3
5-
-//-
PB2
6-
-//-
PB1
""
-//-
PB0
PC7
PC6
""
-
PC5
PC4
-
-
PC3
1-
PC2
2-
-//-
PC1
3-
-//-
PC0
4-
-//-

. ( , , ) . .

.

, .

- , , ;
- , , ;
2 - , , (, );
/ LAT - ; ;
- BIOS - a (C806H, C83FH, C842H), , , / . - 7, , / / C / LAT. .
- .
. :
F1 ... F7 - ;
- - 7 / - 8;
F8 - , ;
F9 - / .

() "". "" () , . "" : - 0...2 . 0 - 1200 Bod / D100MPC, 1 - 1800 Bod / ROBOTRON, 2 - 2400 Bod / EPSON. - [p]. / . / . 7 8 - - 7 - 8.

Vinxru PS/2 .

 

58055 ( FFE4H...FFE7H) ( 4) , . SP580 .

( ) . , . . 18 , - 500 , , 5 . , , "" . . , .

 

" "

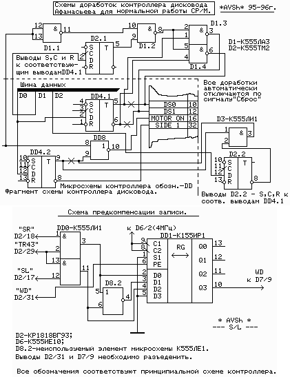
181893, 2 - . MX - DOS, RAMFOS . .

. CP / M. "" 5655.

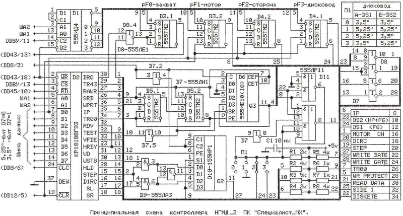
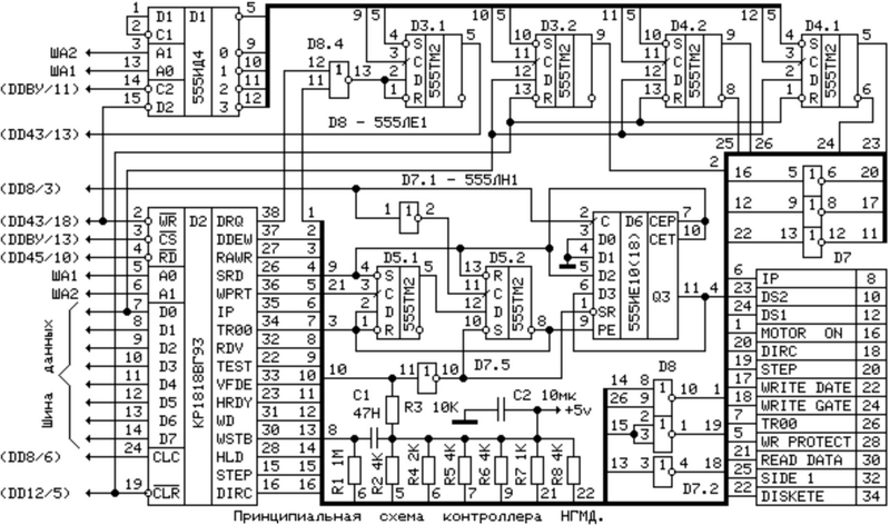
( ).

: 3,5 5,25 . 3,5 D11 (55511), D7.4 (5551) R1. 2 D9.3 + D7.4. 22 8, 11.

 

181893

__

181893 , . , , , () , , .
181893 , . , , , . .
, . , , , .
8 . . , .

D0...D7 - 8- ;
A0, A1 - () ;
CLC - ;
/TEST - ;
/DDEW - , ;
HRDY - , , ( );
/CLR - ;
/RD - ;
/WR - ;
/CS - ;
DRQ - , ;
INTRQ - , - , , ;
/RAWR - , ;
S - , /RAWR;
/WF/DE - , , ;
/IP - , , ;
/TR00 - , , ;
/WPRT - , ;
WD - ;
WSTB - ;
STEP - ;
DIRC - , : - , - ;
RDY - , ;
HLD - , ;
EAR - , , WD ;
LAT - , , WD ;
TR43 - , , 44...76;
VCC - +5 ;
VDD - +12 ;
GND - .

     
     
This site is © Copyright Fifan 2007-2025, All Rights Reserved.