Header image  

""

 

 

 
 
 
 

" "

(, ) .

0000H...8FFFH
(36 )
9000H...BFFFH
(12 )
C000H...C5FFH
- 8
C600H...D1EFH
BIOS_MX (3 )
C800H
"" BIOS
D1F0H...D29FH
D2A0H...D2FFH
D300H...E7FFH
E800H...F7FFH
F800H...FFBFH
RAMFOS (3 )
F800H
"" RAMFOS
FFC0H...FFDFH
""
FFE0H...FFE3H
(58055)
FFE4H...FFE7H
"" (58055)
FFE8H...FFEBH
(181893)
FFECH...FFEFH
(58053)
FFF0H...FFF3H
FFF4H...FFF7H
FFF8H
FFF9H...FFFBH
FFFCH
RAM / ROM -
FFFDH
RAM - (D2...D0 - .)
FFFEH
ROM -

. , RAM - 8.

.

 

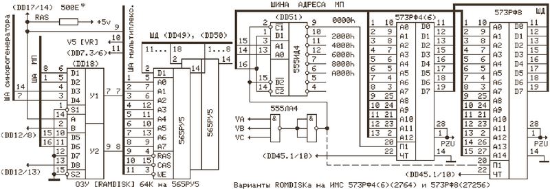
RAM - 5655 () 6567 (). . D12, RAM - . D6 - , RAM - . D12 D4 , .
RAM - 5657 D6 . ( D12) D13, , (DD18). (A8). , .

" "

, 16 384 256 . "" .
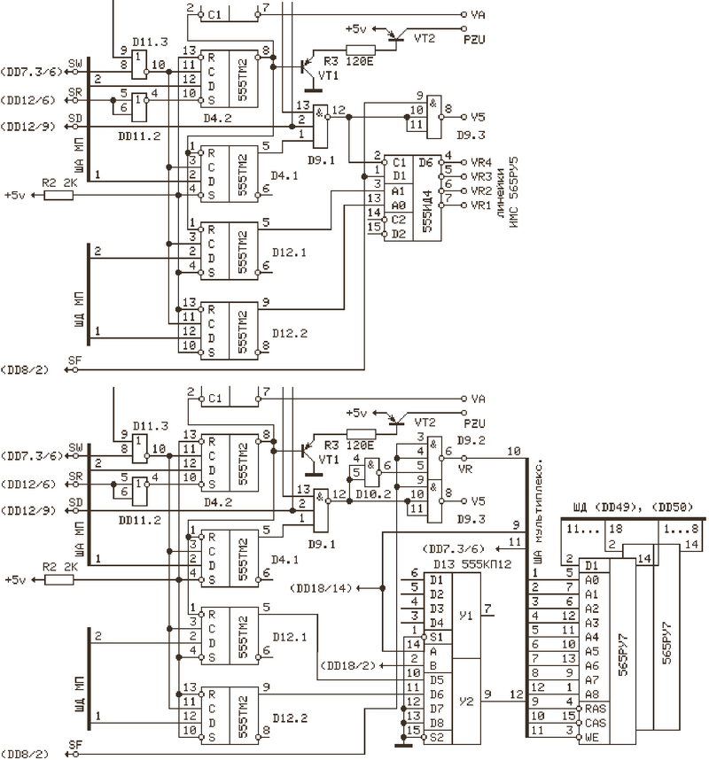
, D1, D2. . . , D3...D10. , (8 ), D12. , , D13, D14. , D11.3 D11.4. . , S D15, ( ) ( ). D15 D16 R1...R6. RGB 8 . 16 Y. R1...R6 RGB, 16 . D16 RGB (). 1 - 2. - , D16, - . RGB .
5655 5656. ( ) 5656. 5655 , V5 .
RGB (1,5 2 ). 75 . RGB , . , , - 15 20 .
. . Test_MX (). (). Test_col soft_mx_i80.rar.

" ", .


     
     
This site is © Copyright Fifan 2007-2025, All Rights Reserved.