Header image  

""

 

 

 
 
 
 

Z80

_

Z80 ZILOG 8080 78 , 80 . Z80 696 ( 244 8080). Z80 : +5 , , 17 .

Z80. Z80 : , , , 24 - . . Z80 , . 8 (1 ). Z80 , . - , , 16 - . ( ).
24 . , . - () . , , . - .

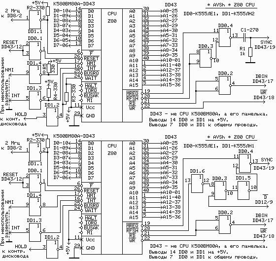
D0...D7 - , , - ;
A0...A15 - , (64 ) - (65536 );
/1 - , ;
/MREQ - , ;
/IORQ - , . , /M1 . , , , ;
/RD - , - ;
/WR - , , ;
CLK - ;
/RST - ;
/RFSH - , 7 /MREQ ;
/HALT - , , ;
/WAIT - , - . ( , ) , ;
/INT - - , ;
/NMI - , . NMI;
/BUSRQ - , . , ;
/BUSACK - , , , ;
VCC - +5 ;
GND - .

Z80

, , . . " CPU Z80". Z80 ( ). , .

"" Z80 , . D4 1551 "" - . . D4 - 1551 . D2 RAS, CAS, WE, CLC. , (1555, 1557) , . DD8 (1557) . D2 ( 531), D3.1 (RAS) ( 155). D3.1 - RAS ( ). SB1 - .
, . - , RAS CAS. 5655, , 5657, , . 5655 4 .
D1.2, D1.3 . - . 155 , - 555, 531, 530. , , ( ) , - . "" - .
, .

     
     
This site is © Copyright Fifan 2007-2025, All Rights Reserved.