Header image  

""

 

 

 
 
 
 

" - "

1988 . "" . - "".

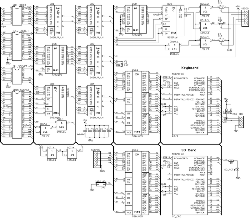
. Z1 (8 ) DD1.1, DD1.2. (DD8, DD2DD5), . , DD6.1, DD1.4, DD6.3, DD11.1, DD6.2, DD7.1, DD10 . DD11.2 DD10 DD11.2, DD11.2 DD9 VT1, DD33. DD6.1, DD6.2, DD40, DD9.6 , . . D0 DD32 0, DD33 0, . DD40, DD20.2, DD20.3 /RAS DD15DD18. /CAS 8 . 8 . A1 , . DD12.2. A1 500 ., , 19 SYNC, . /RD, 6 DD7.2 /WE ( ) /CAS . DD34, DD35 (58916). /RD. DD20.4, DD11.4 . "" DD12.1. "" , , . . , . "" . DD36, DD13. DD30 (58055) , , 8 DD14 VT3, VT4 (). DD39 (5734).

. (). DD13 1553 . 5734(6) :

A4
A3
A2
A1
A0
D2
D1
D0
0
0
0
0
0
1
*
*
0
0
0
0
1
1
*
*
0
0
0
1
0
1
*
*
0
0
0
1
1
1
*
*
0
0
1
0
0
1
*
*
0
0
1
0
1
1
*
*
0
0
1
1
0
1
*
*
0
0
1
1
1
0
1
1
0
1
0
0
0
1
*
*
0
1
0
0
1
1
*
*
0
1
0
1
0
1
*
*
0
1
0
1
1
0
1
0
0
1
1
0
0
1
*
*
0
1
1
0
1
0
0
1
0
1
1
1
0
0
0
0
0
1
1
1
1
1
*
*

__

. ( ).

__

 

" - "

Cornelius : 1553 -> , 58916 2 -> 5556, 1551 -> 55516. " ". Fifan' , Cornelius'. , 5655, 58912, 15516 58055. : , PS/2 Vinxru SD Vinxru. 1.2 ( ) .

" - "
" - " Fifan'
" " Cornelius'
" " Cornelius'
" " Cornelius'
" " Cornelius'
" " Fifan' ( SD)
" " Fifan' ( SD)
" " Mick'
  " " Mick'
  " " Cornelius' ver 1.3
  " " Cornelius' ver 1.3
  " " Rico
" " Rico
     
     
This site is © Copyright Fifan 2007-2025, All Rights Reserved.