Header image  

""

 

 

 
 
 
 

(58055) . DD44, , , 6 DD45.3 , , (). . ( , , ) . .

, , , , . "" , , . , 8 DD45 15...20 R40, R41.

. , - , () 1406 - - VT2, - , DA1 1406, . R44 VT2 , .

"" . VT1. "" .

, "".

PA7
5-
-
PA6
6-
-
PA5
7-
-
PA4
8-
-
PA3
9-
-
PA2
10-
-
PA1
11-
-
PA0
12-
-
PB7
1-
-
PB6
2-
-
PB5
3-
-
PB4
4-
-
PB3
5-
-
PB2
6-
-
PB1
""
-
PB0
-
PC7
PC6
-
-
PC5
-
PC4
-
PC3
1-
-
PC2
2-
-
PC1
3-
-
PC0
4-
-

 

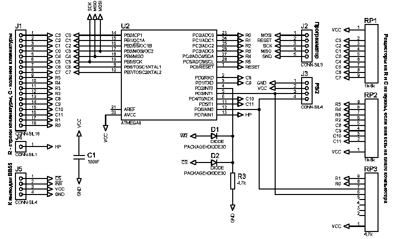
58055

_

- 58055 - .
A, B, C, , , . A B . , - - . . , .
. .
- " - ".
. . :
) 0 - , , ;
) 1, . ;
) 2 - , , . .

D0...D7 - - , ;
A0, A1 - - - , ;
RES - - , ;
PA0...PA1 - - - ;
PB0...PB1 - - - ;
PC0...PC1 - - - ;
/RD - - ;
/WR - - ;
/CS - - ;
VCC - +5 ;
GND - .

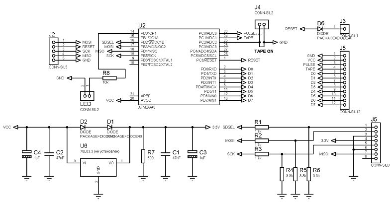
PS/2

PS/2 "". 2 ( QWERTY ), Scroll Lock. : _MX. . _MX (ESC 06H -> 5DH, TAB 07H -> 03H, F1 5DH -> 5CH, F2 5CH -> 59H, F3..F11 51H ... 59H -> 50H ... 58H). Print Screen.

"". - , PC6 / Reset, . ! PS/2 . Break. . . Enter.

Atmega8 (. , ) . RSTDISBL PC6 / Reset - . , - RSTDISBL ! ( ):
RSTDISBL = 1 ;
RSTDISBL = 0 - , .

Atmega8 (. , ) . .

Fifana.

_

_

_

_

Serg6485 . "" Atmega8 . : - Ctrl-Alt-De ; PC6   ; NumLock; - , . Rico PS/2 , Delete. .

PS/2
Atmega8
Atmega8
Atmega8
PS/2
PS/2 Vinxru
Atmega8 Serg6845
Atmega8 Rico

 

SD

FAT16 / FAT32. , , / c SD - . (58055) F000H. ( ). SD BIOS, . .

( boot / sdbios.rks ) . . , , ( boot / boot.rks). , . SD BIOS.

Atmega8 (. , ) . SD .

Fifana.

_

_

_

SD
Atmega8
Atmega8
Atmega8
SD
PS/2 Vinxru
Cornelius'
     
     
This site is © Copyright Fifan 2007-2025, All Rights Reserved.