Header image  

""

 

 

 
 
 
 

""

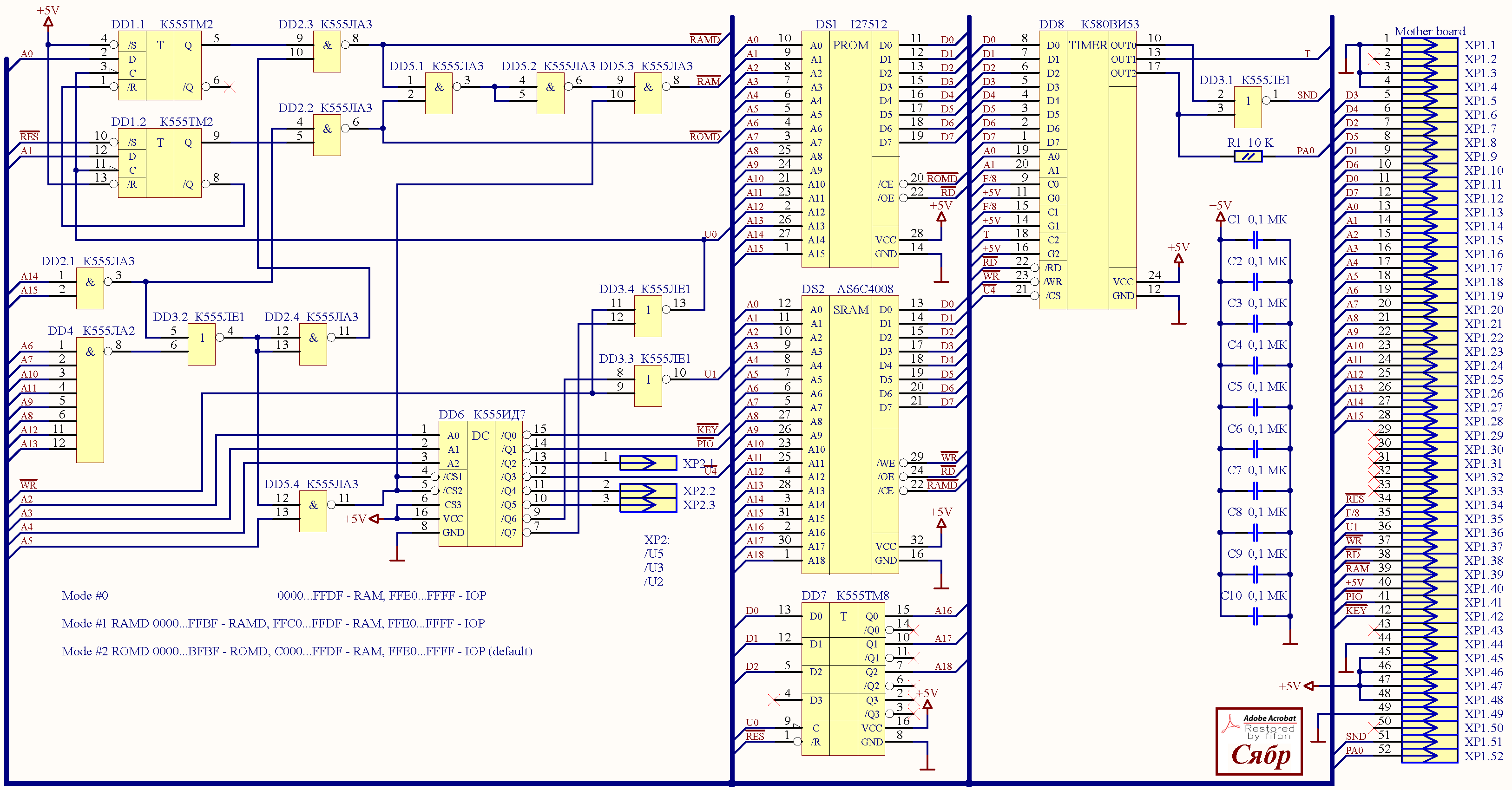
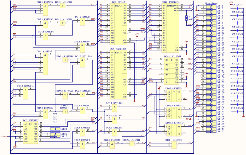
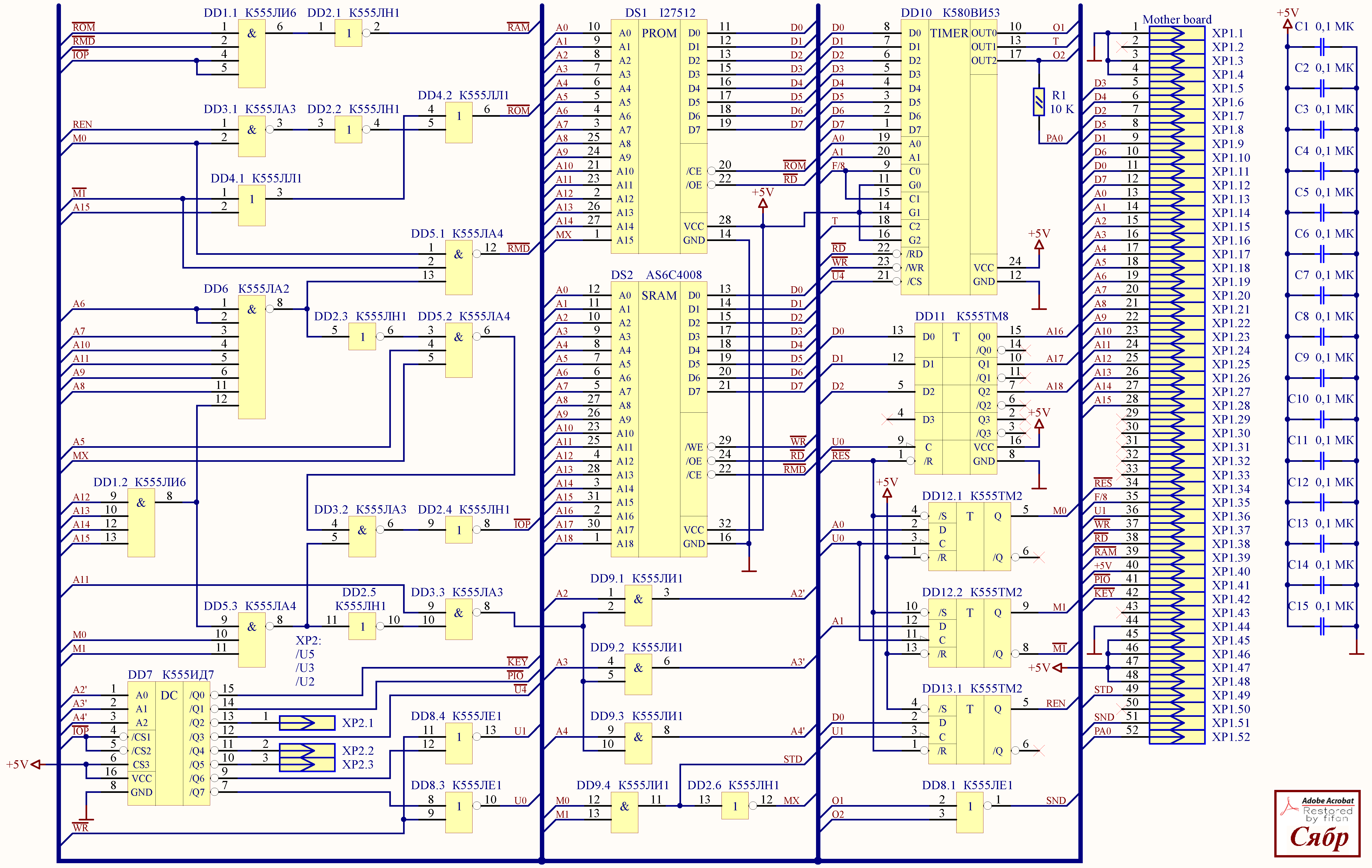
2016 . zx-pk.ru SYR-ALEX' . ( , "") . (8080, 8085, Z80) ( ).

. digibear.

, .

 

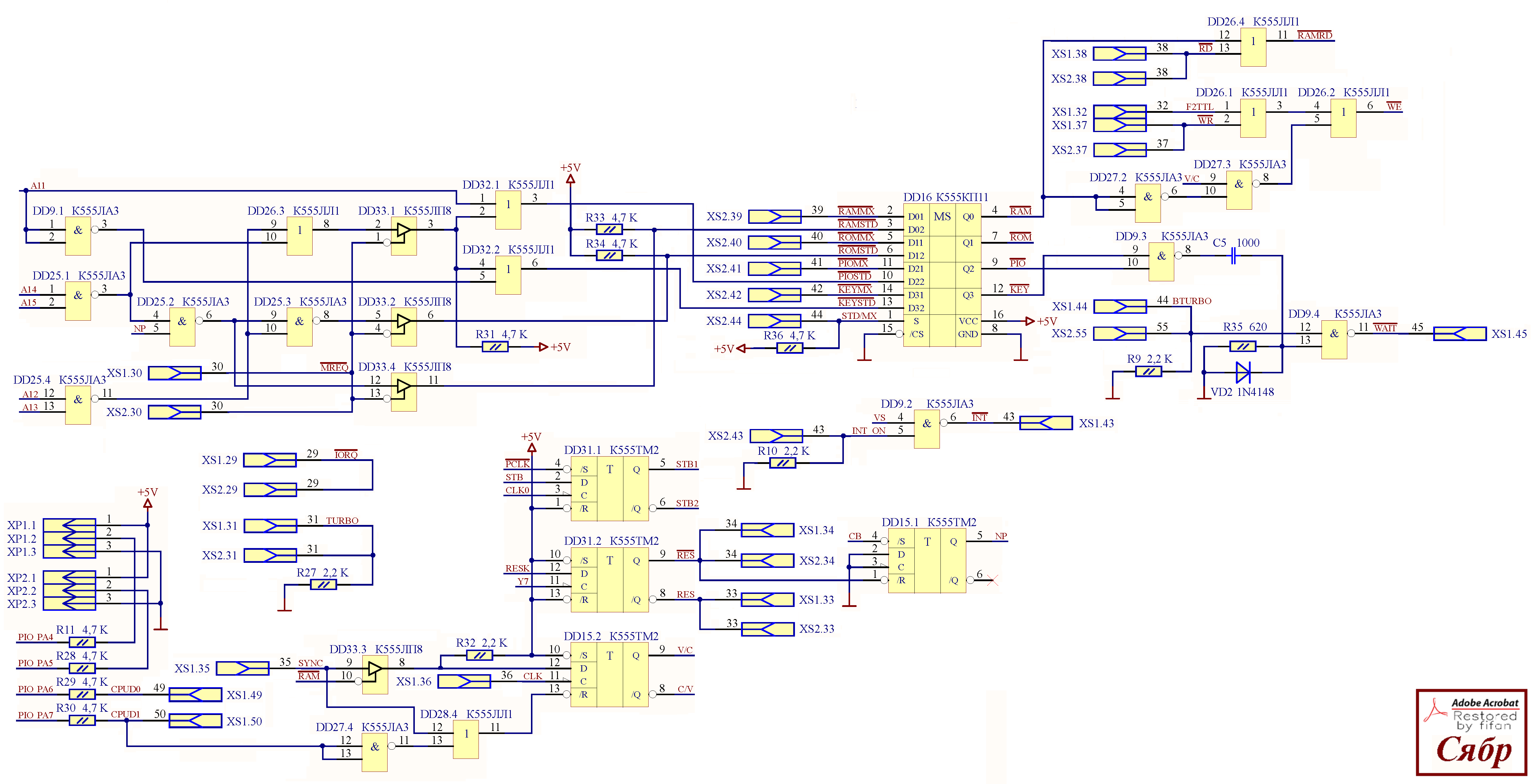
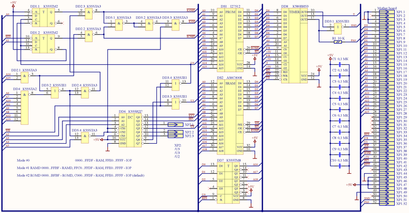
XS1 XS2 "" ( STD / MX = 1). /RAMSTD, /ROMSTD, /PIOSTD /KEYSTD. XS2 ( STD / MX = 0) /RAMMX, /ROMMX, /PIOMX /KEYMX, . DD16. NP /RES DD31. XP1 XP2 . CPUD0 CPUD1, , . . XP6. , .

,
, ZQ1,
384 256
58080
2
16
384 256
182185
2
16
384 256
182185
4
16
384 256
Z80
2
16
384 256
Z80
4
16
384 256
Z80
8
16
384 256
58080
2,5
20
384 256
182185
2,5
20
384 256
182185
5
20
384 256
Z80
2,5
20
384 256
Z80
5
20
384 256
Z80
10
20
480 256
58080
2,5
20
480 256
182185
2,5
20
480 256
182185
5
20
480 256
Z80
2,5
20
480 256
Z80
5
20
480 256
Z80
10
20
384 256
58080
2,76
22,128
384 256
182185
2,76
22,128
384 256
182185
5,529
22,128
384 256
Z80
2,76
22,128
384 256
Z80
5,529
22,128
384 256
Z80
11,058
22,128
512 256
58080
2,76
22,128
512 256
182185
2,76
22,128
512 256
182185
5,529
22,128
512 256
Z80
2,76
22,128
512 256
Z80
5,529
22,128
512 256
Z80
11,058
22,128

 

: 2. 2. 2. Fuzix' - - . .

 

. : SRAM DD11 DD12, DD29 DD30 58055, . . . - .

 

"" Fifan'
"" V2.6 Fifan'
"" 16
"" 32
"" 64
"" 32 ()
"" 64 ()
2 "" ()
"" V2.6 Fifan'
"" V2.6 Fifan'
     
     
This site is © Copyright Fifan 2007-2025, All Rights Reserved.