Header image  

""

 

 

 
 
 
 

""

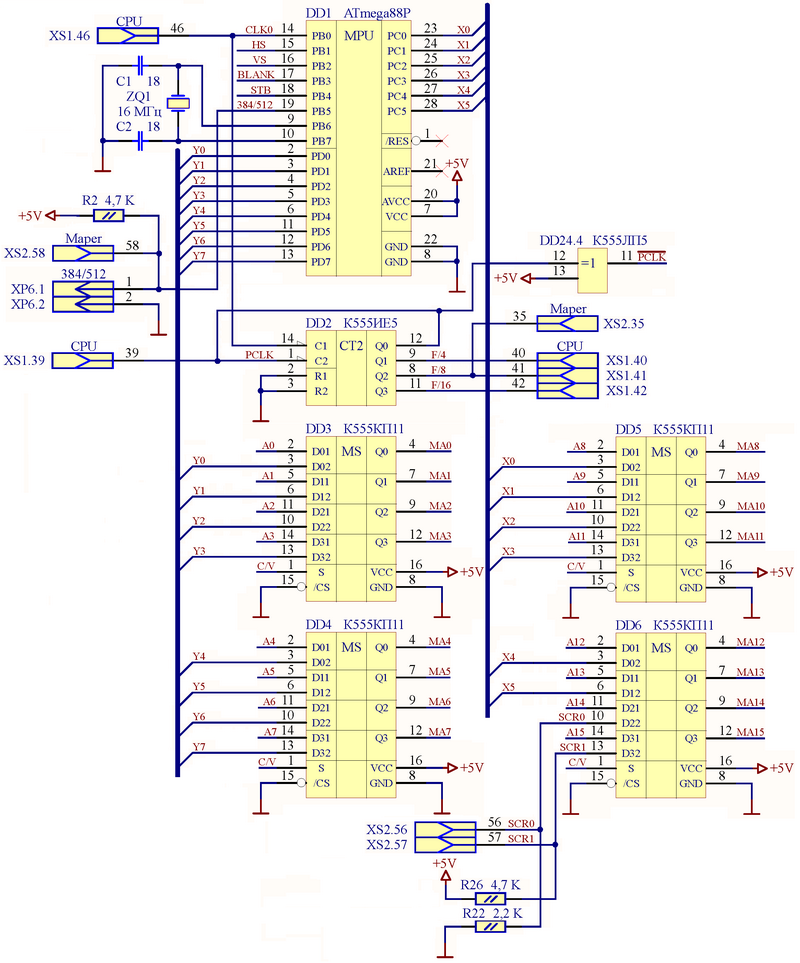
Atmega88 DD1. ZQ1 14 DD1 ( CLK0). 2, 4 , 8 16 12, 9, 8 11 - DD2. 384 / 512 ( 19 DD1) XP6 - Normal Screen / Extended Screen. 384 256 , - 512 256 480 256. PCn PDn DD1 , DD3...DD6. C / V 1 MAn (Xn / Yn) (An). DD1 : VS - , HS - , BLANK STB, . , .

Atmega48 16
Atmega48 20
Atmega48 22,118
Atmega88 16
Atmega88 20
Atmega88 22,118
Atmega168 16
Atmega168 20
Atmega168 22,118
Atmega48, Atmega88 Atmega168
Atmega48, Atmega88 Atmega168
     
     
This site is © Copyright Fifan 2007-2025, All Rights Reserved.