Header image  

""

 

 

 
 
 
 

""

:

1. . 5653 5656 ( , ), 5655 (8 , 64 , 48 )

2. , 58055 1, 58055 2 ( .) 2048 , 4 . .

3. Z80 58080. . - "_".

 

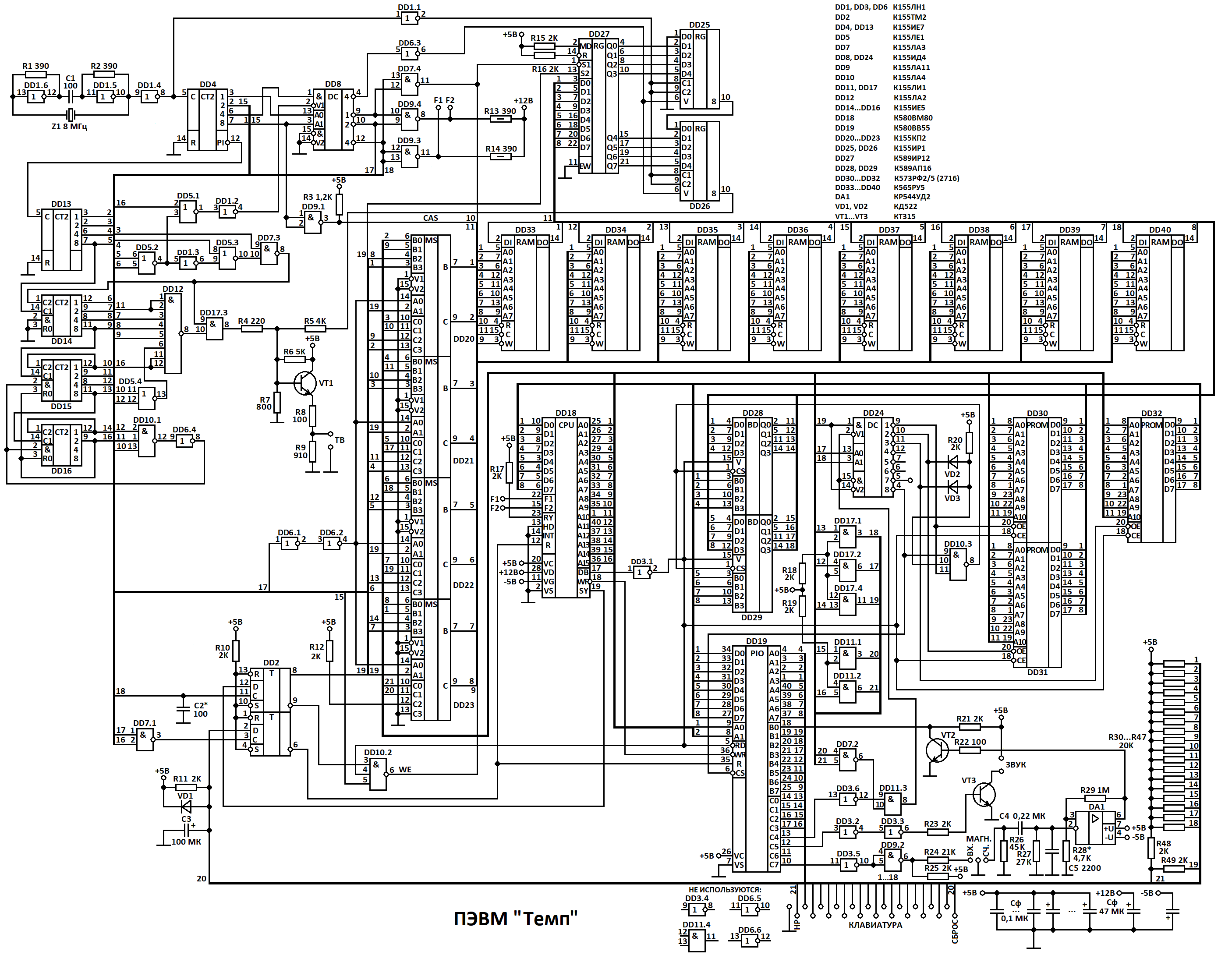
"". . 80- ( . . . . / . 5656. . . , . - . , .

"Eureka". . , , . Protom'.

 

"". "". (), . - , 5732. - 64 (8 5655). zx.pk.ru Sergey Erokhin.

__

- -86. zx.pk.ru val_dp.

 

"". 1988 . "", , , MSX. 1988 1992 . General Instruments AY-3-8910, . : 16 . 8 , ( 16 ). . . , , . . , . , 12 . 4 . , , . . - .

"". "". DJVU . zx.pk.ru dr. Titus , . rw6hrm .

"-001". . ( ) 1989...1992 . , . Mx_serg' OlegC '.

"". .

"Leda -04" "- ". . . BYTEMAN Vinxru.

"". 1988 . , .

"". 1993 . . . - .

"". , . ( "") 1989-1990 . . .

"" - , 1989 ., . .

"". , zx.pk.ru alexsan. Pimas . ( ). - .

"-2". , . Kanzler.

"". 80 - , . val_dp.

 

"". :
1. , .
2. 58055, . 256 ROM - . , , . 6 16 . .
3. 58055, , , 3 7 "" +5, , . .. .
4. 58051 . TxD RxD . RxD 1555, , . 2 5 , /DTR /DSR. , "0xCD". , "call" 58051 (2 , , 8 , 1:1). "call" , , 58051, !? . "" , , .
5. 64 , 16 .
6. ROM - 256 ( ). 256 58055, - 32. 16 (2 8).
"" - , . Alex LG.

"". . "" .

"". , - 1988 . - . 5653, 5655.

     
     
This site is © Copyright Fifan 2007-2025, All Rights Reserved.