Header image  

""

 

 

 
 
 
 

" - "

. : , 5655; ( , , ); , , . , . 25 64 , 384 256 ( ). 2 . . 32 / . 4,76 . / . , . 74. (. ).

, 8 58080; .
: 8 , .
: ; , ; ( ); .
; . , . , RAS CAS.
DC1 ; , (1, 2). , , , , DC1 F4 CAS . ( ), DC1, ( ), C000H.
DC2 ; , (1...6) (1, 2).


12 ; 5735 : , , , , .
; .
; RG .
RG ; .
TV . , .
; 58055 ( ) : , ( ), , ". ." " ".
"" - ; , ( ) .
. , , "" , . , .
". ." - ; "" , " ", , , DC1 C000H. DD45.

. : 16 , 8 . 58080 2 , . (58055) . , . 128 .
. , . , ( , ) 0,5 . , 2 , . ( 500 .), , , , , 500 . . , , .
. , , .


, , TV , , , . 64 ., 16 ., - 20 ., 3584 .
() . ( , , . .) . .
580 (55, 51, 53) X1. , , , , , .

(), ZQ1 8 , DD1. (DD2...DD6), , . , DD8...DD11 . DD11.1, DD10. VD2 VD3 , RG.


R9...R11 . DD8.2 DD1.4 . , RG 0, .
, DD13, DD14 1 2 12 , , RAS, . RAS . , 8 .


" - " .

.

- , ( ).

, ( ).

"", DD16.2 DD16, , . (".") 500 . , 19 DD18 SYNC, , (""), , 6 DD15.3 (WE ), (V) DD21.4, DC1.
() (), DD30 DD31. , 6 DD1.5.
"" "" DD16.1. , "" , , . "" .
DC2, DD29, 16 1, 2. 2 .
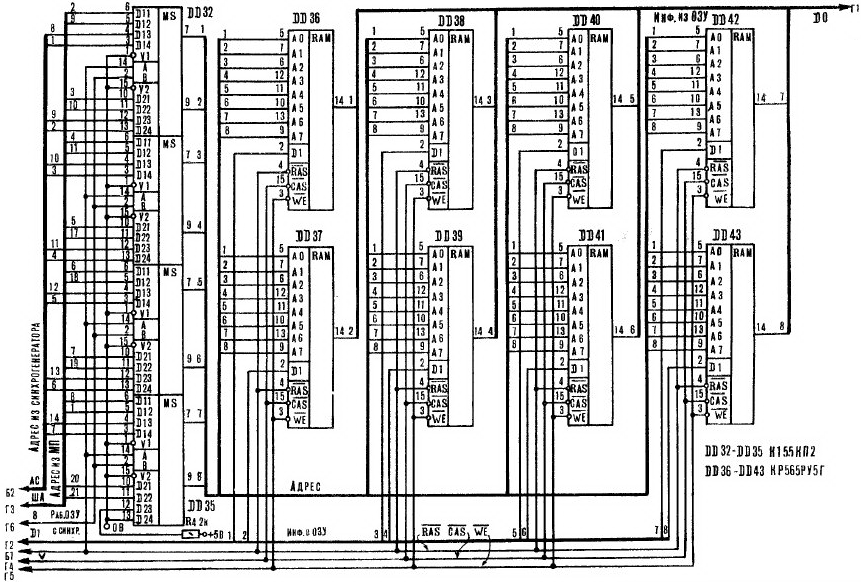
" - " 5655 (DD36DD43). DD32DD35. CAS . .
, , : , 64 , 48 . "".
, , . 8 , CAS. 48 96 .
. ( ), "" . . ( ) .

, DD45, , , , , ". " DD44.1, DD44.2. "" , . . 1. DC1, . C000H.
C003H KC4 0 ( ". "). . RC4 C , ". ".
X2 602 , ( , , . .). , .
, (, . .). , , . " - ".

 
1
A0
 
3
D2
-//-
2
A1
-//-
 
4
D3
-//-
3
A2
-//-
 
5
D4
-//-
4
A3
-//-
 
6
D5
-//-
5
A4
-//-
 
7
D6
-//-
6
A5
-//-
 
8
D7
-//-
7
A6
-//-
 
20
R
""
8
A7
-//-
 
21
""
9
A8
-//-
 
22
""
10
A9
-//-
 
23
2
2
11
A10
-//-
 
14
4
4 1
12
A11
-//-
 
15
5
5 1
13
A12
-//-
 
16
6
6 1
14
A13
-//-
 
17
7
7 1
15
A14
-//-
 
29
+12
+12
16
A15
-//-
 
30
+5
+5
1
D0
 
30
-5
-5
2
D1
-//-
 
31
0

, 58080, 1,9 , 155.
580 (, 58055, 58051 .).
" - " . , . 64 . DC1 DC2.

, DC1, 48 , 0000H BFFFH. 16 , C000H FFFFH, .
, DC2, 16 ( C000H FFFFH) . 2 .
16 DD22DD27. 1 2 ( 2 ) . 1 , DD45 58055. : , , ( ), " ". , , 2 ; :
FFFCH - ,
FFFDH - » ,
FFFEH - ѻ ,
FFFFH - ѻ .
, 2 , , , .
2 2 ( F000H, F7FFH). . , . , , , 2. 2048:4=512 . , , 512 58055.
( ) 2 2. 5722 5735. " - " . - .

0000H...1FFFH
2000H...254FH
-//-
2550H...260FH
-//-
"CIRCLE"
2810H...7FFFH
-//-
,
8000H...800FH
-//-
8010H...8FH
-//-
,
8F00H...8FFFH
9000H...BFFFH
12 (384 256 )
C000H...C4FFH
1
C500H...C7FFH
-//-
- 7
C800H...CFFFH
2
D000H...D7FFH
3
- 8
D800H...DFFFH
4
E000H...E7FFH
5
-//-
E800H...EFFFH
6
-//-
F000H...F7FFH
2
(, , . .)
F800H...FFFFH
1
, , ,

. " - " , : +5 / 1,5 , +12 / 0,15 , -5 / 0,02 . .

1 , 2025 , : II - 9 , III - 1415 , IV - 9 .
. . VD5 DA1 55,3 , 1425 , , 4,84,9 . , 4,7 . .
VD5 10100 .
-5 (VT1) R1.
VD1VD4 3 . VD6VD13 - 0,30,4 (105 ).
DA1 100 2, DA2 - 10 2.

. " - " 246 156 . (. - ), 1,52 .
, , "". , , .

__

" - " ( ) . , .

" - " ( ) SD (Vinxru), PS/2 (Vinxru). (SpMG2.rar) - .

. , : <SHIFT> - : + ! # % & ( ) * . .; <CONTROL> - : 00H1FH; <LOCK> - / ( / ), . .

. " - ". , " - " (. ). Alex_LG. , - .

val_dp.

"-" Fifan'
-
"-" Mick'
-
"-" Mick'
-

- MMX. (SpaceEngineer): - M - MX / MX2. - , . - MX, MX2 , HardwareMan, Fifan, Vinxru, SYR-ALEX. , MX2. - . - , . . DIP , . PS/2 SD , 3,5" ( 5,25" 12 ). - "-MMX" ( M -> MX). , ( 512 ROM / Flash - ). - - - 30020075 ., , . (, , , ) , - 5 ( 2 ). - M , , .

- . , "" - (-34-90-8). , . . . ( ) . , . - ( ) . - (DSUB 25 LPT ), , . +5 -> +12 -5 , 58053 " " 58055, ROM / Flash - . MX2 Flash - HardwareMan', , SD Vinxru . /U7, PS / 2 Vinxru ( , DSUB 25). - . - . , . , 58055 , , - . , , - . , , , . - - , , ( , ).

C MX / MX2. " " - , . . , 90 % , , , . , , SD HardWareMan'. , - . ( , ROM - , ROM - , 58055). - "" . , , - , , . ( MX STD , , RAM - , , 1 ).

. - , - , - . RAM - , . , 5655 ( 8 + 8 + 3 ), . , - , . 5657 41256 ( A7 A8 , ). 8 - , "" (58916). 58916 /U1. 8 - "" 58055 STD MX2 . 24 , - . ( ), . RGB , , - , . . , . VGA ( - VGA), SCART, ( ), , - ( RGB). .

. (5655 / 4164 , 5656 / 4116 , 5657 / 41256 RAM - 512 ). SL-26, " ", . , , - 16, 64 256 . - (64 , 64 RAM - 16 , . . - . - , , ( , , , /RAS /WE ). RAM - 5655, RAMFOS Commander Vinxru . , 5656, 5655. 5655 - , /RAS. , " ".

_

ROM / Flash - 2 . HardwareMan', . - 58055. ( AT29C040A). . "". , . , ( ), . Flash - SD Vinxru.

- (. ). . , , 8 - , ( HOLD , 4 8 ). +5 , . . 0,2 . , Mick'a - . .

-
/ 2
ROM / Flash - 2
" - " SpaceEngineer'
-
     
     
This site is © Copyright Fifan 2007-2025, All Rights Reserved.