Header image  

""

 

 

 
 
 
 

""

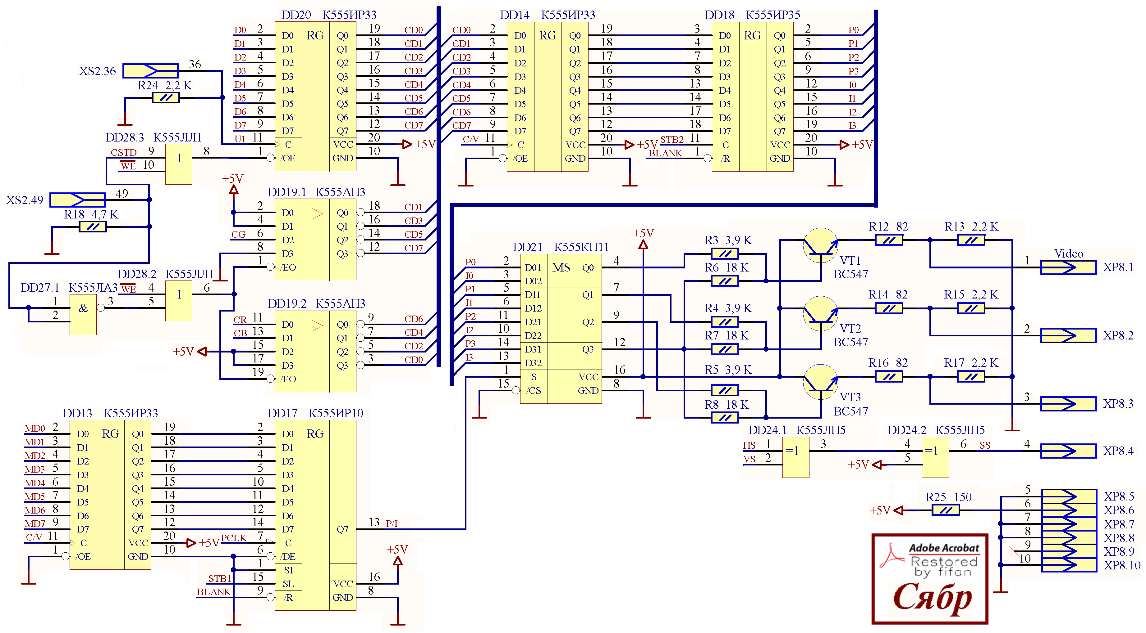
DD10. SRAM DD11 , 48 . SRAM DD12 , 12 . DD7 DD8. SRAM (DD10 DD11), (DD10' DD11'). , .

 

DD19, MX - DD20. (DD12) DD14 DD18. MDn DD13, DD17 13 DD17 ( P / I). DD21 . VT1...VT3. VS HS DD24.1 DD24.2 . , .

     
     
This site is © Copyright Fifan 2007-2025, All Rights Reserved.